View Single Post
  #1  
Old 12-24-2020, 10:48 PM
travlnz28 travlnz28 is offline
Yenko Contributing Member
 
Join Date: May 2008
Location: East Tennessee
Posts: 1,195
Thanks: 69
Thanked 142 Times in 55 Posts
Default 69 Camaro Front Wiring Harness Question

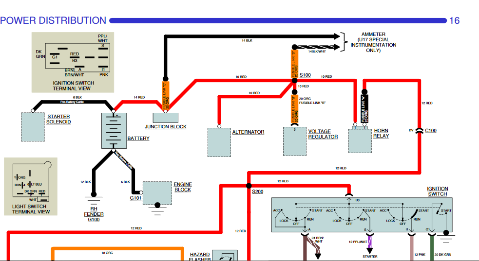
I have 4 Red wires exiting the front lamp harness at the voltage regulator. One changes to Black and goes to the horn relay, one stays red and goes to the horn relay. One changes to Orange and goes to the voltage regulator. The other changes to Orange and I have no clue where it goes. Can anybody help?
Attached Images
  

Last edited by travlnz28; 12-25-2020 at 02:32 AM.
Reply With Quote
Attachments - The Supercar Registry Screenshot (114).png Screenshot (113).png 20201224_161450.jpg 20201224_161421.jpg
Click here to view all the pictures posted in this thread...